[ บทความ : elec51 บอร์ดไมโครคอนโทรลเลอร์สำหรับ MCS-51 ]

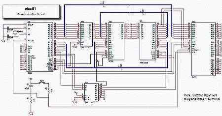
บทความตอนนี้คงไม่มีอะไรมากมายครับ เป็นเพียงการเอาวงจรของบอร์ดไมโครคอนโทรลเลอร์ MCS-51 มาให้ศึกษากัน เป็นบอร์ดที่ไม่ซับซ้อนอะไรมากมายครับ คือ มีทั้งส่วนหน่วยความจำโปรแกรมจาก EPROM (ใช้ความจุ 8KB) หน่วยความจำข้อมูลจาก SRAM (ความจุ 8KB) และ 8255 ... ดังนี้ครับ


ภาพขยายของวงจร
รายการอุปกรณ์สำหรับวงจรเป็นดังนี้
1. ไอซีไมโครคอนโทรลเลอร์ 80C32 หรือ 80C31 จำนวน 1 ตัว
2. ไอซีหน่วยความจำ SRAM 6264 จำนวน 1 ตัว
3. ไอซีหน่วยความจำ EPROM 27C64 จำนวน 1 ตัว
4. ไอซี I/O 82C55AC-2 หรือ 82C55AC-5 (ตัวนี้เร็วกว่า 82C55AC-2) จำนวน 1 ตัว
5. ไอซี 74LS373 (สำหรับทำ Latch แอดเดรสที่รับจากพอร์ต 0) จำนวน 1 ตัว
6. ไอซี 74LS138 (สำหรับทำ Decode) จำนวน 1 ตัว
7. ตัวต้านทาน 10KOhm จำนวน 2 ตัว
8. ตัวเก็บประจุ 47uF จำนวน 1 ตัว
9. ตัวเก็บประจุ 22pF จำนวน 2 ตัว
10. ตัวเก็บประจุ 0.1uF (สำหรับทำบายพาสของไอซี โดยต่อคร่อมขา Vcc กับ GND ของไอซี) จำนวน 6 ตัว
11. คริสตอลความถี่ 12MHz จำนวน 1 ตัว
12. สวิทซ์ แบบกดติดปล่อยดับ จำนวน 1 ตัว
13. ซ็อกเก็ต 40 ขา จำนวน 2 ตัว (สำหรับ 80C32 กับ 8255)
14. ซ็อกเก็ต 28 ขา จำนวน 2 ตัว (สำหรับ 6264 กับ 2764)
15. ซ็อกเก็ต 20 ขา จำนวน 1 ตัว (สำหรับ 74LS373)
16. ซ็อกเก็ต 16 ขา จำนวน 1 ตัว (สำหรับ 74LS138)

สิ่งที่วงจรในบทความนี้ไม่มีก็คือ ส่วนของวงจรสื่อสารอนุกรม กับวงจร regulator ซึ่งถ้าต้องการสร้างขึ้นมาก็สามารถหาได้จากวารสารทางด้านอิเล็กทรอนิกส์ ... วงจร regulator หรือ power supply ตอนนี้ดูได้จากบทความ DnRX051 Microboard ครับ

จากวงจรจะได้ว่า รูปแบบการวางหน่วยความจำหรือ memory map นั้นจะเป็นดังนี้ครับ
- ที่ตำแหน่ง 0000H-1FFFH จะเป็นของหน่วยความจำโปรแกรม หรือ EPROM (27C64) มีไว้สำหรับให้เราเขียนโปรแกรม
- ที่ตำแหน่ง 2000H-3FFFH จะเป็นของหน่วยความจำข้อมูล หรือ SRAM (6264) มีไว้สำหรับให้เราเก็บข้อมูล
- ที่ตำแหน่ง 4000H-5FFFH จะเป็นของหน่วยความจำข้อมูล หรือ 8255 มีไว้สำหรับขยายพอร์ต I/O ให้มากขึ้น (8255 มีพอร์ตทั้งสิ้น 3 พอร์ต)

ตำแหน่งพอร์ตของ 8255 จะมีค่าดังนี้
- ที่ตำแหน่ง 4000H เป็น พอร์ต A
- ที่ตำแหน่ง 4001H เป็น พอร์ต B
- ที่ตำแหน่ง 4002H เป็น พอร์ต C
- ที่ตำแหน่ง 4003H เป็น พอร์ตควบคุมการทำงานของ 8255

ในตอนต่อไปผมก็จะทำการปรับปรุงไลบรารี Munc5x ให้รองรับบอร์ดตัวนี้แล้วจะเอามาแปะให้ทีหลังครับ ... ส่วนตอนนี้คงเท่านี้ก่อนครับ ... สุดท้ายนี้ ขอขอบคุณ อ.เที่ยง เหมียดไธสง มากครับ ที่ได้ให้บอร์ดตัวอย่าง และเอกสารรายละเอียดมาให้ผม (ส่วนวงจรผมวาดใหม่ เพราะ ผมไม่มีเครื่อง scan ภาพครับ ... รันทดมาก) ... ส่วนรูปของบอร์ดควบคุมมีลักษณะดังนี้ครับ


เขียนโดย : ศุภชัย บุศราทิจ
Author : Supachai Budsaratij
e-mail : raek@se-ed.net
วันที่ทำการปรับปรุง : ๑๔ มิ.ย. ๒๕๔๓, ๒๙ มิ.ย. ๒๕๔๓, ๒๓ ก.ค. ๒๕๔๓, ๒๕ ก.ค. ๒๕๔๓, ๓๑ ก.ค. ๒๕๔๓.